302 comments

My DIY Solar Power Setup – Free Energy for Life

It is pretty well known at this point that Mr. Money Mustache is enamored with solar power. Besides the obvious Sci-Fi coolness of it (Electricity, Satellites, Futuristic Robots!) and the eco-friendliness of it (energy with zero noise or pollution), in the last five years the money side of things has finally matured, so that solar power is now the cheapest way to make electricity – even before you account for the added bonus of any available subsidies and the benefits of pollution-free living.

A Watt of Solar Panels: From $100+ to under fifty cents (2017) in less than my lifetime (image source cleantechnica). And the 2017 number for the blue side of the graph hit over 95,000 MW.

It works for individuals: In many cases, if you can get a good rack of solar panels on your roof, your monthly savings will be equivalent to making an investment that performs better than the stock market. But the numbers look even better as your solar setup becomes larger, like if you’re running a solar energy utility or a community solar farm.

Related: In recent Colorado Energy Bids, Solar energy is the cheapest option, even when backed by battery storage (Vox).

The fun part of this for me has always been the physics. Ever since I learned how much energy the Sun shines onto our planet’s surface (about 16,000 times more energy than all of humanity consumes, even with our current bloated habits), I have been certain that a mostly-solar-electric world was inevitable. The only obstructions were human inertia and politics, which are temporary. Physics is forever.

For example, consider the following map showing the tiny amount of our deserts we would need to cover with solar panels to replace all energy consumption (electricity, oil, gas, nuclear, hydro, wind, etc)

Fig. 1: Tiny land area required to power all of humanity. (image source)

And it’s actually even better than that: the image above assumes an old-school solar panel efficiency of 8%, whereas 18% is now a standard rate. So you can cut the black dots in half again, and then chop a few more times to account for the other existing clean energy sources.

And of course, you don’t have to concentrate the panels and run giant power lines everywhere as implied by the map. You can stick solar panels virtually anywhere and they will start working like little employees for you, tirelessly cranking out energy (which is equivalent to money) automatically.

Which is of course the real subject of this article.

My DIY Solar Project

The new solar array at the MMM HQ workshop generates more than enough power to run the whole property year-round, plus charge the electric cars of the various members.

So naturally, I have always wanted to have my own solar power farm. Until now, various excuses kept me from getting it done: no great places to put panels on the roof of my main house, slightly unfavorable local regulations, but mainly a lack of knowledge of exactly what to buy and how to install it.

I vowed that whenever I finally got this project done, I’d write up a report to you, to spare you some of the research and time consumption that I had to go through.

So let’s get into it!

Part One: Show me the Money

As you can see from the picture above, I’ve started by building a relatively small solar array. There are twelve panels, each about 40 x 60 inches. Each one generates 300 watts of electricity when the sun shines, and when you run the numbers for my climate, the whole setup will crank out about 6100 kWh/year of electricity, a chunk which is worth about $732 per year at average US power prices.

Pretty amazing – enough energy to run my coworking space and Mrs. MM’s adjacent retail store… from a chunk of pretty black glass that is about the same size as a single car parking space!

Meanwhile, the wholesale cost of this equipment broke down roughly like this:

  • 12 solar panels at $130 each: $1656 (a total of 3600 watts at 46 cents per watt)
  • 12 Optimizer modules (which increase power output during partial shade): $650
  • One SolarEdge 6 kW Inverter (converts the DC from the panels to AC for the grid): $1102
  • Various brackets, mounting racks, bolts, and wiring stuff: $460

So my total cost, due to the very good luck of having a friend who is both a dedicated Mustachian and the owner of a booming solar company, was $3900.

That’s the best case, but even after you add normal profit margins plus a 30% tariff that The Donald recently levied on solar panels (and remember the panels are thankfully only half the cost of the system), you can still buy a similar Complete kit for $5000 or so.

When you’re measuring the annual return on your investment (or “payback period”), there’s only one thing that matters on the cost side: price per watt. I ended up building this system at about $1.08 per watt, which is low by today’s standards but will soon sound high.

And remember, there are usually tax incentives to cut this cost further  – you can take 30% off the top of this cost due to the US Federal “Investment Tax Credit (ITC)“, and possibly more from your state and local government or utility.

The Great Solar Journey to Durango

Last year, I met a badass Mustachian entrepreneur named John. He was in Longmont to visit some family here, but his real home base is in Durango, Colorado where he runs a successful solar installation company called Shaw Solar. There are a million stories that need to be told about this man, but for now we’ll start with this one.

Knowing how long I had been interested in a do-it-yourself solar project, John decided to step up and help me get it done at last. We went over technical details, calculations, strategies, and costs. All of this culminated in me taking a spectacular roadtrip to Durango along with another local friend, in May of 2017.

It was quite a trip, for much more than the acquisition of solar panels and advice. Durango is a stunning little town, and it turned out that John lives in a community of equally impressive siblings and friends – for example his brother Charles who DIY-renovated a 50,000 square foot school over a 20-year period, which has now become the jewel of Durango’s downtown.

Time For the Build

I drove back from this trip full of confidence and energy… only to end up storing the solar panels for months in my studio building as I worked to finish higher-priority parts of the Headquarters building, then waited for the time and motivation to plow through the building permit application.

It took another visit from John to really kickstart the project, and once we worked through it I realized my worry was completely unfounded – if you know what you’re doing, a simple solar array can be completely installed by two people in a less than a day’s work. Here’s what we ended up doing.

Step Zero: Research and Permit

Begin with the end in mind. The amazing Kari Spotts (LPC’s lead of renewable power metering) helps me swap in a new dual-flow electric meter at the successful completion of this project.

This is the part that stops most people before they even begin. The quickest shortcut is that if you’re not interested in these details, find someone who is, to catapult you through it. But if you have enough curiosity to learn the details, here they are:

How big a system should I build? In general, the bigger, the better. The cost per watt goes down as your system grows, making it a higher annual yield on the investment.

“I don’t live in Colorado. How much juice will I get out of it where I live?” This part is fun: The National Renewable Energy Lab runs a great, free calculator called PVWatts that does it all for you: factoring in average weather and solar angles in your area, even allowing you to specify solar panels placed at any crazy angle you like. (In other words, your house doesn’t have to have a perfect South-facing roof).

“Do I need some of those Tesla Powerwall Batteries too?” No. Unless you’re building an off-the-grid cabin, in almost all cases you will want to “grid-tie” your solar array, so you can effectively sell your surplus electricity back to the power company (and thus, other nearby customers), cleaning up your whole town and saving the huge cost of batteries. The Powerwall works great if you want protection from power outages, however, and can even pay for itself if you live somewhere with a smart grid that allows day/night price arbitrage.

“How do I get a permit to build this thing?” Your city’s building department probably has a page describing how to apply. For example, here’s the one for Longmont. The trickiest part is generating a “one-line diagram”, but I cheated by just photoshopping my own details into the example provided with my city, leading to this result, which they approved without question.

Step One: Layout

I had a nice, simple roof that was already facing South, tilted up at a 30 degree angle, which is just about perfect for solar panels. But you can also put them on other slopes or flat roofs, and they still work surprisingly well.

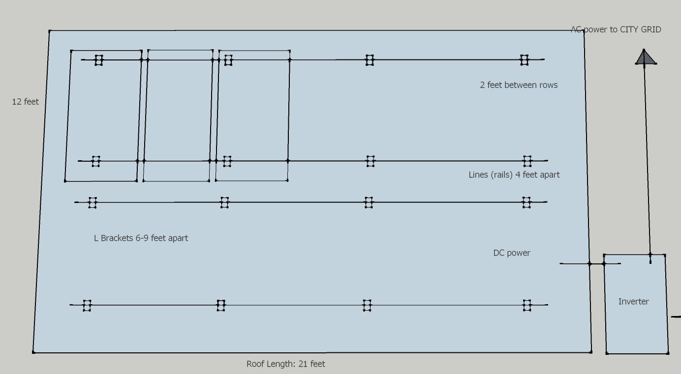
I needed two rails for each row of panels, and the rails get supported by “L”-shaped brackets bolted into the roof. So I ended up with this configuration:

Laying out support brackets, rails, panels, and power inverter.

Important consideration: Because I was putting this on a garage roof (technically “unoccupied space”), I was able to squeeze them all the way to the roof edge. If you are installing on a house, your city’s fire code may require that you leave a 3 foot walking access around the edges. Sometimes it’s wise to think outside the box: a garage roof, a standalone ground-mounted rack if you have lots of unused land, or creating the new workshop/carport/garden shed you’ve always wanted in the sunniest part of your yard.

2: Install your Brackets and Rails

Once you figure out where to put the long “lines” shown above, you measure them out and snap chalk lines right over top of your existing roof material. Then, use some sturdy 2.5″ lag bolts and washers to hold down the L-shaped brackets that come with the solar racking kit. Pre-drill each hole, and inject in some “Through the Roof” sealant with a normal caulk gun before driving in those bolts – this creates a permanent watertight seal. (There are also special brackets to accommodate different roof styles like tile and metal).

Once the brackets are in, you simply use the supplied slide-in bolts and nuts to attach the long rails, straighten them up nicely, and lock it down. Doing all of this with a cordless impact driver makes it quick and clean.

3: Bolt down and connect the Optimizers if you’ve Got ‘Em

These are just little flat boxes that you connect to the top of each pair of rails, about 6″ from the eventual right edge of each solar panel. There’s one optimizer for each panel, and it acts like a babysitter – monitoring output from the panel, compensating for voltage changes when necessary (such as when shade hits that panel). You’ll notice that each optimizer has four wires protruding from it, and there’s one optimizer for each panel. This will make sense in the next step.

Optimizer mounting (face down), plus a good shot of the connections between roof, brackets, and rails. Note – a solar installer saw this and said he suggests you use flashings like this for extra protection on those L-feet.

Once all the optimizers are in place, you connect each pair of longer wires together with the incredibly convenient fast-click connectors. The positive and negative wires have differently shaped connectors so you can’t accidentally reverse them.

You end up connecting optimizers to each other, and each panel only to its host optimizer, like this:

Inverter to panel connections

If you have two lines of panels as I do, connect the far end of one line to the far end of the next line, so you end up with a long series of optimizers where both ends terminate with a loose wire on the end closest to your inverter.

Grounding is Important: Using the supplied grounding screw terminals, connect all the rails together with bare 10AWG copper wire. From that last terminal, you’ll be running a length of the same size wire down to the inverter.

4: Install the Solar Panels!

The bottom of each panel has two long output wires. Use clips and/or zip ties to keep the cables tidy so they don’t dangle onto the roof too much.

This step is better with two people, especially on a steep roof. Starting at the furthest corner from the location of your inverter, connect each the panel’s wires to the matching ones on its host inverter. Set the panels down straight, and use the click-in clamps that come with the racking system to clamp down the panel using your cordless drill/driver.

By the end of this step, you’ll have one or more tidy lines of panels with just two powerful-looking DC wires poking out the end, with connectors ready to go.

You’re now ready to build the final run of wire, which will enter a metal conduit and travel through your roof, down the side of your house, and into the inverter.

5: The Home Run:

Drill a 1″ hole in your roof and put a roof boot over top of it, tucked under the upper course of shingles. From there, your goal is to provide a protected path to get the high voltage DC wires from the panels, down to the inverter.

My city required 3/4″ metal conduit, which gave me the opportunity to learn about the various fittings and connectors that are part of working with conduit. I also bought a conduit bending tool, since there are many more outdoor electrical projects still on the docket for the MMM HQ building.

I ran a length of metal conduit up from the inverter and just beyond the roof boot, then transitioned to a downward-facing connector to some flexible conduit, just to keep the wires covered until they get under the panels. All three conductors including the ground are running through this tube. If doing it again, I’d suggest using a different conduit box for that transition. Also, you can switch from a bare ground wire to a stranded, insulated ground at that point – much easier to pull through!

6: Mounting The Inverter and Connecting it all to the Grid:

The part that sounds the most mysterious is actually one of the most simple:

  • Hang the inverter on the wall using the supplied bracket and a few screws
  • Connect the conduit and pull in the DC wires from the solar panels into the inverter’s connection box. On this Solaredge unit, there are nice spring clip terminals.
  • Do the same on the other side of the connection box, running a length of 8/3 household wiring (for outputs up to 40 amps) right into the breaker box, as if you were hooking up any other 240 volt circuit.

Inverter mounting, including the conduit going up through the roof (left), out to the main breaker box (right), required warning stickers (red), and how it’s hooked up inside (bottom)

7: Get it all Inspected and Power it Up!

The inspector will probably have a nitpick or two with your work. Stay strong and make any required corrections, and pass that inspection. Then you flip on the AC breaker, the DC power switch, the inverter’s main power switch, and poke through the menu systems to make sure everything is set to run the way you like it.

For this Solaredge system, I had to run a “Pairing” step with the power optimizers (see manual), and add a TP-Link Wireless Repeater/Bridge to allow the inverter’s wired Ethernet connection to join my existing property-wide Wi-Fi network. Which happens to be the the spectacularly good Google Mesh Wi-fi system.

So What’s Next?

From this point on, it’s all on automatic pilot. The system generates electricity every day, which reduces the Headquarters power bill down to zero. In winter, the days are shorter so we might consume more than we produce. But in summer, a large surplus will more than make up for it.

My inverter from Solaredge comes with a really nice monitoring features, available from both a phone app and any browser. Plus, you can share a public version of your page with anyone. Here’s one I made for the MMM-HQ array.

At the time of writing, I’ve had the system online for 27 mostly-January days, including a couple of writeoffs where the panels were covered in snow. It has still averaged about 10 kWh of electricity production per day, which is more than the average consumption of the whole facility. Put another way, the 265 kWh of electricity is enough to power an electric car for roughly 1000 miles of driving.

The monitoring tool also estimates about 410 lbs of CO2 emissions prevented, which is 0.2 tons or about $4.00 worth at current carbon cleanup rates. If you happen to care about running a carbon-neutral life (or business) as I do, this means the carbon offset makes your solar electricity about 15% more valuable in your mental accounting.

I can also double or triple the number of panels on this particular system (once I decide on a good place to put them) without changing the inverter or any of the grid-tie connections, which will greatly improve my annual return on investment. It’s just a LEGO-like plug and play to connect more panels to an existing rack of them, plus the inverter has a second set of inputs if you are running in some wires from a string of panels you have placed somewhere else.

My power company pays out a check for any overall surplus at the end of each year, purchasing the power at a wholesale rate. But many regions are more solar-friendly than this, giving you a full retail or even higher rate for solar-generated electricity as an incentive to go green.

The Final Word:

Solar energy is strangely fun to produce – most people report satisfaction far beyond just the monetary benefits. It gets you out there rooting for the Sun, and for your fellow humankind to follow suit and start harvesting it alongside you. So if you’ve been considering getting it done, the time is good.

Thanks again to John Shaw (shawsolar.com) for all the help with this project. If you have questions about the details or the industry in general, please put them in the comments and both John and I should be able to weigh in.

And if you happen to own a home or business around Durango, CO, contact Shaw Solar directly and tell ’em who sent you!

I also recruited some highly valuable help from an excellent more local electrician : Derek Miller who runs Omni Electric – highly recommended for projects in the Longmont/Boulder/Evans areas.

Rough Edges Alert: I’ve started by publishing this article in an unpolished form, so if you see incorrect details, please let me know and I’ll clean it up over time after publication.

  • Tawcan February 7, 2018, 6:02 pm

    Amazing stuff and thank you for the detailed run-down. From talking to a few co-workers from California that have solar panels installed, they claimed that the panels generate more electricity in the winter time due to better solar panel efficiency. I had no idea! A few of them said that they can be completely off the grid if they wanted to.

    I have seen a few houses with solar panels here in metro-Vancouver but always wondered how effective it would be given the number of rainy days we get per year.

    Reply
    • Mr. Money Mustache February 8, 2018, 9:00 am

      The PVWatts tool mentioned in the article will answer your question about production in Vancouver for you exactly.

      After playing with that tool, the difference from one location to another isn’t as much as I expected. For example, although I think andecdotally of Colorado as “almost always sunny” and my homeland of Ontario as “barely ever sunny”, the data shows that solar panels will still pump out 75% as much energy in Ottawa, Ontario versus here in Longmont.

      Vancouver is good for about 66% of Colorado output – so if you just add 1.5 times the panels (keeping everything else the same), you get the same annual production.

      Reply
      • Mr. Frugal Toque February 8, 2018, 12:47 pm

        So weird.
        Sometimes I feel like you’re almost talking directly to me.
        Maybe this summer, while I have all this time off, we can put solar cells on my roof.

        Reply
        • 5Inatrailer February 8, 2018, 1:14 pm

          Me too! Need the patio doors replaced? MMM is on it.
          Need wheel bearings changed? MMM is on it.
          Like almost to the week of me needing it.
          For the record, did the patio doors, passed on the bearings :)

          MMM youre a pathfinding guru up the mountain of life.

          Reply
        • Bobbylove February 13, 2018, 6:58 am

          Hi Mr. Frugal Toque,
          I’m an MMM follower from Ottawa’s west end. I would be very interested in learning about your upcoming solar panel project. I would also be willing to offer my services for the very mustachian rate of zero dollars because it’s an interesting learning experience, it would help out a fellow mustachian and it’s good for the environment.

          Reply
      • Tawcan February 8, 2018, 9:52 pm

        Cool that’s very good to know, I am slightly surprised that Vancouver is good for about 66% of Colorado output, would have thought it’s much lower than that.

        Reply
        • Andrew Paliga February 26, 2018, 1:04 pm

          Keep in mind that solar panels rely on daylight rather than sunlight. Your energy production will still be 40% as effective on a heavily clouded day in comparison to direct sunlight. So you’ll still be producing electricity during those month long cloudy stretches ;)

          Reply
          • Chris March 3, 2018, 9:31 am

            Tawcan, I plugged in the numbers and also the higher Step2 BC Hydro rate. It said we should see about 4400kwh produced in a year at a savings of $532, That would mean about a 10yr return on investment at least. That being said I bet each year the cost of the sytem goes down greatly around here for us as tech improves.

            Reply
            • RainCity August 7, 2018, 1:33 pm

              For those interested in Solar in Vancouver or for condo buildings a guy in Victoria blogged all steps from system design to getting approval, install and various post completion updates stating from 2015. He posted a great PDF summary which I’ll link if allowed below. Of special note is how net metering works in ones area and teh cost to this guys much larger system was something like $3 CDN to MMM $1 USD. I would absolutely love to copy this project in my 18 unit Vancouver building. Alas being so old it will be developed sooner than later i suspect. Not sure why new buildings do not do this as mandatory if only for all the shared electricity of the building and not the actual apartments themselves.

              https://www.bcsea.org/sites/bcsea.org/files/2016-09-solar-on-your-strata-v1.8.pdf

        • DS October 18, 2018, 1:15 pm

          FYI – BC Hydro (the government run electric monopoly in your area) says that payback on a solar system is 23 years https://www.bchydro.com/work-with-us/selling-clean-energy/net-metering.html?WT.mc_id=rd_netmetering. When I factor in a DIY install using info from this blog post the payback drops to about 15 years. That’s really poor for a province where the balance of power is held by the green party. I am waiting for the payback to drop closer to 5 years, but in the meantime I am considering solar with this: https://rimstar.org/renewnrg/solarair.htm instead of my 220V garage heater. Putting money into reduced electricity consumption usually has a quicker payback period than trying to generate your own electricity in my calculations since the Canadian utilities are stingy with the price they pay for your power compared to US or Europe. Alternative thought: since you are close to the US can you string an extension cord across the border to instantly make solar more affordable?

          Reply
    • SouthwestAnonymous February 8, 2018, 3:57 pm

      I work in utility solar and during the summer we see curtailments during the summer where the systems runs too hot and we have to rack down the amount we are producing. That might explain why your friends see better winter production.

      Reply
      • Profit Greenly September 25, 2019, 9:10 am

        I think this is more of an issue in lower latitudes. As you move further North the temperature drops in the summer and there isn’t much curtailment. The other big differences further North are that days are much longer in the summer than the winter and there is snow in the winter (if your panels are totally covered in snow they’re not generating any power). In PA I found that my solar array generated almost 5 times as much energy in June than it did in January. I’d be interested in hearing how the generation totals of MMM’s array in CO change over the year. If you want more PA details I did a full writeup of my first year’s results here.

        https://profitgreenly.com/solar-roi/

        tldr; solar crushes low return “safe” investments like bonds and CDs

        Reply
        • Mr. Money Mustache September 26, 2019, 8:44 pm

          Thanks for the useful explanations, Greenly. And since you asked, here is the ongoing data for the solar setup in this article. As I write this about 18 months into its life, we are now coming up on its first thousand dollars of power produced!

          https://monitoringpublic.solaredge.com/solaredge-web/p/site/public?name=MMMHQ#/dashboard

          Reply
        • Annie September 27, 2019, 7:57 am

          “tldr; solar crushes low return “safe” investments like bonds and CDs”

          Hi PG, your post didn’t reference solar ETF funds like TAN but would you say those qualify as sound investments as well, much like REITs allow folks to become lazy landlords?

          Reply
    • Tom June 1, 2019, 5:06 pm

      The panels generate more power in the winter because they are more efficient when it is cooler.
      And if you have them angled correctly, they will pickup maximum sun during the winter and during the summer when there is more light they will work reasonably.

      Reply
  • Lou February 7, 2018, 6:04 pm

    Love the map showing the areas needed to power the world. Unfortunately, we use a lot of land to convert sunshine to ethanol, which is unbelievably inefficient.

    Reply
    • lurker February 10, 2018, 1:14 pm

      so true…..should be growing food for people or forests of food for fun and for people….permaculture anyone?

      Reply
  • Stockbeard February 7, 2018, 6:04 pm

    Impressive. Thanks for the writeup!

    Reply
  • Ron Cameron February 7, 2018, 6:38 pm

    I think Google Project Sunroof is a great tool to see how your actual location looks from a heat map perspective. I unfortunately have the “darkest” house in my neighborhood due to some large trees that keep the house from roasting in the afternoon.

    From a strictly financial perspective, I’m still not sold. The returns you mentioned (about 12%) are great but aren’t factoring in the loss of principle. I suppose the system will have value in the future for resale, but I have a hunch in ten years that setup will be laughably outdated. Not as outdated as no setup, however :) But it’s not all about the money, and I appreciate the clear info. It looks much more DIY than I thought.

    Here’s a tip for more readership: Just re-name this post “Why Bare Shingles Suck!”. The pro bare shingle people will come in droves.

    Reply
    • RocDoc February 7, 2018, 9:29 pm

      I’ve wanted to go solar for years and was delaying due to cost and inertia. This post made it seem so easy and fun and fairly inexpensive too. I agree with Ron, that in ten years it may be outdated, but I think the fun of having solar energy NOW is worth it. In ten years I’ll be 65 and I don’t want to wait that long to start this cool experiment!

      Reply
      • Ms. Frugal Asian Finance February 8, 2018, 6:03 am

        Same for me! I did call up a solar company two years ago when we first moved into our new home, and they said it would cost us $20,000 to set up.

        I might be able to save money, but at the same time we would have to put in a huge amount of cash. They said the system would finally start breaking after ten years or so. I got discouraged and haven’t revisited the topic since.

        Also, the HOA at our place hasn’t approved it yet sigh.

        Reply
        • Ms. Must-Stash February 9, 2018, 9:38 am

          How frustrating! Even in solar-backwards Virginia, HOAs are actually not permitted to STOP us from putting solar panels on our roofs. Maybe worth checking around and seeing if your state has something similar that will help over-rule this objection from your HOA? Might be something out there that the HOA doesn’t even know about – they often just reflexively say “no” without necessarily checking on what the most recent statutes say.

          Reply
        • Mr. Solar March 6, 2018, 11:35 am

          Prices have come down a lot since 2 years ago – and you need to shop around and play the bids off each other. Unfortunately a lot of solar companies will bid what they think you can afford, not what they are willing to charge.

          Reply
          • Anonymous September 26, 2018, 4:06 pm

            Agreed, there are a lot of bad companies just taking advantage of the state incentives. Find an installer that is honest and explains it until you fully understand everything. A good installer will do that. You can get 25 year warranties from the manufacturer and still pay about $3-$4 per watt. Kevin K

            Reply
    • wendy February 7, 2018, 10:22 pm

      I grew up in western MA, not exactly the sunniest place in the country. During the 1970’s energy crisis, my parents took advantage of the tax breaks to re insulate our house, replace/upgrade the windows, and add a roof top solar array for hot water heating.
      I was just a kid, early teens I think, so I have no idea of what the cash outlay was + the tax credits, but it moved my frugal parents to action. We had a solar hot water system with oil assist for cloudy days (most of New England heats with oil). It’s been in place for 27-35+ years and even been moved from the main house roof to the garage roof with only minor control panel upgrades needed. It’s not a system that feeds back to the grid, it just runs water through… but it made a noticeable impact to our oil bills and was worth relocating to the garage when we expanded the house footprint and changed the roof line.
      This is all anecdotal to you of course, but it was a win for our family.

      Reply
      • David February 8, 2018, 4:15 pm

        When I built my house in Maine I did a lot of research and calculations on getting the best return for my investment in solar. Heating with the sun made more sense than making electricity. I have collectors that heat water which is pumped through radiant heat coils in the floor. I recommend similar systems to anyone with a good southern exposure.

        Reply
    • alistair February 9, 2018, 4:34 am

      The parts of the system which will look outdated in 10 years will be the parts that are easy to replace though, the infrastructure will be sound. you could swap out the panels easily.

      Also there is a physical limit on the efficiency of panels so it’s not like the new ones will be 10x more efficient, maybe 2x

      So the resale value is in the “dirty work” and I think if you advertise a house for sale where you can demonstrate that they are going to get free electricity, you’ll be looking at getting good proportion of the investment back, if not all of it.

      Plus, the odds are that the cost of power will increase, or keep pace with inflation, so the asset value would be measured against this rising cost, not the installation cost.

      but you are right, without the less tangible benefts it’s not a complete no-brainer.

      Reply
    • Mike Lomsky February 12, 2018, 12:08 pm

      There are 2 other problems that he has not mentioned, and should be. The first is degradation. Solar panels will be less powerful over time. The rule of thumb is 1% a year. Certainly future tech can, and likely will ameliorate that, but today 1% is a solid number. The second problem is that, for his carbon calculations, he does not consider the energy cost in making the panels. It takes a lot of energy to make the panels, and while I am a fan, installing them in low stability areas is not “good for the planet”. To say it another way, you don’t get enough energy out of them in places like Vancouver, as compared to New Mexico, to justify the energy lost to make, transport, and install them. One also should consider what do do after the panels are done, and what to do with the toxic metals in them. My point here is that they are not perfect nor clean. Each power option has it’s drawbacks, even if all of them are not carbon emissions.

      For me, living in New England, I use air source heat pumps to offset home heating oil use during the times of the year when ambient air temperature is above 40F. That has saved me 200 or so gallons of oil a year for the last few years, with a payback period of only 10 years. I also get AC for the summer, but that is besides the point.

      My position is that solar is not good enough for places that are not sunny most of the year, and that includes most of the North East USA. In a few years, when the panel efficiency gets greater with the retail sale of dual-gate and possibly tri-gate or more gate solar panels, then we will have something. Folks should install what works right for their area, and in much of the US, solar is a good idea; just not all of it, not yet.

      Reply
      • Mr. Money Mustache February 12, 2018, 1:38 pm

        Hey Mike.. your points are well taken, but I suggest you actually research the numbers and provide reference links when making quantitative (and qualitative) claims like this. For example, other earlier comments have placed the annual decline significantly below 1%.

        And here’s some info on the embedded energy in panels: In summary, even way back in 2004, you’ve “paid back” more than that in the first 1-4 years, leaving 87 to 97% of the energy produced over the panel lifetime as a clean surplus: https://www.nrel.gov/docs/fy04osti/35489.pdf .

        Here in 2018, panel manufacturing is far more optimized than that (less glass, less plastic, streamlined cell factories).

        On top of all this, buying solar panels is not like building a new power plant or buying a gas-powered car – with each purchase, you are advancing the entire industry, which will keep the costs and the embedded energy per watt dropping over time.

        So, I still suggest that anybody who wants solar energy, should go ahead and do it.

        Reply
        • Justin February 14, 2018, 11:01 pm

          Let’s also remember the carbon cost of fossil fuels is not just limited to the consumption of the fuel at the point of power generation. It takes a huge amount of energy to bring the oil or natural gas to the point of generation. From manufacturing of the steel well casing and pipeline, drill rig operation, fracturing operations, transport, and refinement. Not to mention the small army of oilfield workers driving around the field each day I F-150s to maintain the equipment, gauge tanks, etc. Then you have to consider the inefficiencies of transporting the energy from fossil fuel generation from centralized locations long distances to the point of consumption; whereas distributed power (i.e., rooftop solar) is consumed at the point of generation typically. I don’t have hard numbers, but I’d bet a lot that the one-time carbon cost of manufacturing the panels is less than the total carbon cost of bringing a similar amount of carbon-based fuel to market once you factor in all the above (exploration, development, transport, refinement, generation, and distribution).

          Reply
    • Upstate Dad February 21, 2018, 11:50 am

      I’ve had solar for a couple of years. They don’t really become outdated. New panels will of course be more efficient and you would have a smaller array to produce the same amount of power. The panels do lose 1-2% of efficiency per year but in 10 years they should essentially still be doing the same thing. No maintenance, no moving parts. They are beautiful in their simplicity.

      Reply
  • Lily February 7, 2018, 6:42 pm

    Despite the stereotype, there is sunlight in Seattle (sorta) and one side of our house gets a ridiculous amount of sunlight just blasting down on it every summer. We have considered solar panels before for our 3 story townhome. I believe installation would cost as much as we will save in energy savings if we use it for 8-18 years.

    It is tempting to DIY because it’s more cost effective but we ran into the same issue of “a lack of knowledge of exactly what to buy and how to install it.” Especially for a 3 story home too which would require scaffolds. Thanks for doing the research :) Please keep us updated!

    Reply
  • Another Reader February 7, 2018, 6:44 pm

    The lowest installed price in the San Jose area from a no-name installer using Chinese panels before the tariff was $3.25 per watt. Not good enough to make me get out my check book. PG&E is several times more expensive per KWH than Longmont, but it still does not pencil out.

    A neighbor a couple of blocks away works for Tesla, and he recently got a Tesla roof installed. It was finished late last Fall, but I haven’t seen him so I don’t know yet how it’s working out. I have seen the Solar City folks out a couple of times, so they are probably still working out the glitches.

    Reply
    • Mr. Money Mustache February 8, 2018, 9:05 am

      I hear you – $3.25 is a pretty tough case to make unless you just really love solar panels.

      One of my ideas for more cost effectiveness is if these systems became foolproof consumer products. For example, imagine a click/fold-bolt-together carport similar to a gazebo that you just put right on your driveway.

      It would have a single 240 volt extension cord that you plug into any dryer or range plug, or into the same circuit that your electric car charger in the garage uses, which presumably everybody will soon have.

      This system could be at Costco or Home Depot at 50 cents per watt, and you’d need no electrician and no permit to hook it up (as long as we standardize the rules) just like plugging in any other appliance. THAT would be a good way to boost solar adoption.

      Reply
      • Another Reader February 8, 2018, 1:19 pm

        Good luck talking the utility companies into that. Foolproof when you are dealing with electricity would be defined as impossible to defeat safeguards. The liability issues would probably make it DOA.

        Not that I would drop $100k on a solar roof, but I’m really interested in the Tesla guy’s results. The glass shingles look like, well, glass and appear very fragile. Tesla claims they are very strong and resistant to hail and wind damage. Not a lot of hail or high wind here, but it will be interesting to watch how the roof performs.

        Reply
        • Greg K. February 9, 2018, 1:23 pm

          Tweaking states’ Alternative Energy Portfolio Standards laws might help encourage them in the right direction.

          Reply
        • Bakari Kafele February 12, 2018, 11:02 am

          In MMMs idea above, it would be a stand alone system, which would mean the utility company had no say in the matter. Just like you can get a solar power pack to plug your phone or laptop in right now. It would be a bigger version of that, that just charged your car or ran the dryer, off grid.

          Of course, one could do that today, it just takes (slightly) more work and planning to design and build than a kit.

          Reply
          • Nice Joy February 19, 2018, 6:22 pm

            That is what I want to do. Run my air conditioner with solar. My bill will go up when I connect solar to utility company even if I make more KW than used….This is the sad story from Arizona.

            Reply
        • TomTX February 18, 2018, 12:17 pm

          The Tesla shingles are tempered glass, and pass the highest standard for roof impact. They’re tough. Tougher than tile or slate.

          Reply
      • RobDiesel March 2, 2018, 10:09 am

        Interestingly, a company about 7 years ago was working on something that was easily digestable for consumers.

        I don’t know what happened to them, but this was the info I found:
        https://www.greentechmedia.com/articles/read/clarian-lowering-the-entry-price-to-solar

        The point was an easily transportable panel you could even hook up on your balcony (if you rented an apartment etc.).

        Another point people miss with solar panels on the roof is that they shade the roof, keeping the attic cooler. This matters in places like AZ, TX etc.

        Cooling is a huge part of electricity cost for many people so keeping that cost down is a benefit too. Plus, a shaded roof lasts longer.

        Reply
    • Bakari Kafele February 12, 2018, 11:05 am

      Did they say how much of the “installed price” was parts, and how much was labor?
      I’ve seen the labor be 50% or more of the price. It is a lot more cost effective to do it yourself.
      I purchased panels, inverters, and racks from ML Solar, right next to you in Campbell (60 miles from me, so I drove down rather than pay shipping). I paid under $2000 for a 1.5kW system, for $1.33 per watt (without considering permit fees and other flat costs, but also not considering tax rebates)

      Reply
  • CoreyH February 7, 2018, 6:47 pm

    Our DIY system is also Solaredge and has been in service for about one year now. With two electric clown cars, it really makes sense for us. By going DIY we were able to install the same size system (7.5kw) that we were quoted over $30k for by a full service solar company. Our returns (as you described well) are more than monetary, but the payback time will be around 63 months.

    Reply
    • Mr. Money Mustache February 8, 2018, 9:09 am

      Nice work Corey! And double points for STILL making fun of yourself, even after upgrading to electric cars :-)

      That whole “Solar arrays cost $30,000” is the main reason I built this system and wrote this article. People need to have at least a vague idea of the materials and labor involved, so they can judge what is a reasonable price to pay for something.

      Solar is cheap and easy – the regulations, fees, and fussy building permit rules are the biggest hurdle now, and I want to see those drastically trimmed back.

      Reply
  • Mr. Tako February 7, 2018, 6:54 pm

    Very cool project MMM! Does this qualify as an “advanced” DIY project? It sure looks like it!

    Really cool that you know someone in the industry to explain it all. Most people would be held hostage to a contractor or company to do it all for them. That usually means big $$.

    Reply
  • KMB February 7, 2018, 7:00 pm

    How much does the panel output decline over time? How long does the inverter last and does its performance decline?

    Reply
    • Cliff February 7, 2018, 10:35 pm

      Most panels have a performance warranty citing 80% of new output after 25 years of service. The decline is usually expressed as 0.7% per year. See the panel specs for the panel of interest.
      Similarly, inverter specs cite a 12 year warranty. I have not heard of a similar decline in performance.

      Reply
  • Chris Urbaniak February 7, 2018, 7:04 pm

    Thanks for the detailed breakdown! I was wondering a few things:

    1. Does the snow melt off due to excess heat from the panels, or does it need to be cleared manually?
    2. How do the panels hold up to inclement weather such as hail?
    3. I assume that you would want to have a reasonably new roof under the panels to avoid having to re-install them when the roof needs replacing; is that a correct assumption?

    Thanks,
    Chris

    Reply
    • Cliff February 7, 2018, 10:30 pm

      1. I’ve found that once the bottom of a panel has been cleared of snow, the panel will warm and melt the remaining snow, resulting in an avalanche-effect. So, I usually clear much of the bottom row of panels and let the panels/sun do the rest.
      2. Check out YouTube for videos of hail impact tests.
      3. I’ve heard two thoughts in this regard. 1. If you’re within a few years of having your shingles wearing out, replace the roof first. 2. If your roof is less than 5 years old, an array will shield your shingles from hail, driving rain and UV.

      Reply
    • Nebin February 8, 2018, 7:17 am

      Chris,

      You do not have to clear the snow.

      We installed solar on our 45-degree metal roof last year. We previously had problems with ice sheets that would shoot off and put bystanders in danger. The panels do not melt the snow, but seem to be advantageously working as snow and ice-guards. Interestingly we have noticed that the light passes right through the snow and we still get power. On a bright day it still seems to run just about full generation.

      MMM, I never thought this could be a DYI project. On our steep pitch metal roof a few stories up I still don’t think I would do it myself. But maybe I could do it on our separate low-pitch garage…

      Reply
    • Sheryl Highsmith February 8, 2018, 1:17 pm

      We’re in Colorado and we’ve had our solar system for maybe eight years or so. While the snow will definitely melt on its own, my husband makes a hobby of clearing it off with a ladder and a very long window-washing apparatus. I imagine his snow-removal activities get the panels back into action 24-48 hours earlier than Mother Nature would have done. Our panels have held up perfectly in even the most extreme hail. In fact, our roof was damaged to the point of needing replacement by a hail storm just a couple of years after the panels were installed. Our homeowner’s insurance paid for the cost of the panels to be removed and then put back in place for the roof replacement. We took that opportunity to have another seven panels added when they went back up, since we had just gotten our electric car and needed more power.

      Reply
  • Bohemiana February 7, 2018, 7:04 pm

    I’m sold in on solar from an environmental standpoint but still not at these prices even as a DIY. You have a lot of solar needs with multiple facilities and autos using the juice. We are just a middle-aged couple working from home in a small house. Our typical electric bill is $60/mo. I’m waiting for the price to come down much more and to become much easier to install DIY.

    Reply
    • Himanshu Narula February 2, 2022, 12:30 pm

      I agree with Bohemiana, but if you can DIY, which would you rather do, wait 5 years to recoup your cost and save the environment in the meanwhile. Or wait 5 years to let cost come down by half (assuming it does halve) and then wait another 2-2.5 years to recoup the cost. (2 years if energy cost goes up which it will).

      Reply
  • Mrs PoP February 7, 2018, 7:08 pm

    Welcome to the solar world, Pete! We put our panels on in 2015 and have been very pleased with how they have performed in the almost 3 years they’ve been up there! I really think this is the future, but we need to keep advocating for them in some areas because power companies are sometimes actively hostile towards residential solar and laws should change and open up to make it an even smarter investment for people and the environment.

    Reply
  • Adam February 7, 2018, 7:08 pm

    I like to imagine a more off grid setup when I’m thinking about going solar, and Tesla’s powerwall seems iffy there. From there FAQ, they want permanent internet access for the Powerwall. Which really makes it viable for on-the-grid locations. I really like the idea of maintenance-free batteries, though. Which is what the Powerwall is.

    I’d really like a salt water battery setup. 100% discharge available, no chance of catching fire like a samsung. However, the one company that makes them in the US, filed for bankruptcy last year. Not enough buyers. Which is a shame, as it was perfect for home setups. The weight kept it from being a player in any other market.

    Reply
    • Adam February 7, 2018, 7:12 pm

      Of course, in my “perfect” setup I imagine all the panels on the ground in an easy, plenty of room setup with no trees or other obstacles to cause issues. So snow could be easily cleared, replacements easily setup, etc.

      Reply
    • Bakari Kafele February 12, 2018, 11:10 am

      There are plenty of offgrid options, and have been since long long before Tesla even existed.
      In between the extremes of a powerwall and salt-water is the good old standard 8D lead acid battery, the same kind semi-trucks use. Cheap, reliable, and (barely) manageable to move around by one (reasonably strong) person, and about 250amp hours each.

      Reply
  • MUSTARD SEED MONEY February 7, 2018, 7:12 pm

    This is really amazing. I’m curious to hear your thoughts on Elon Musk’s plan Tesla’s solar roofs with tiles. The design looks amazing but there are times that he over promises and under delivers but from a design standpoint I’d definitely consider.

    Reply
    • Mr. Money Mustache February 8, 2018, 9:11 am

      Tesla solar roof is a cool thing and very forward-thinking, because it addresses the new construction market and the big-spender market, which are both very large!

      However, from a Mustachian perspective, a Tesla roof is like a Tesla car: a beautiful piece of design to be admired, from a company that deserves to be supported. But if you are still at a stage of life where cost is a consideration, you need to stick to bicycles and DIY solar panels.

      Reply
    • Matt February 8, 2018, 8:40 pm

      In a nutshell, prettier looking, higher cost, lower efficiency, unsure of lifespan, but probably comparable. They’re for rich people, not environmentalists or people concerned with cost or value.

      Reply
      • Phil December 28, 2019, 10:43 pm

        Mr Musk’s tech projects have always been targeted to the rich with a cool factor in order the push the technology forward and drive the cost down. None of it has reached mass market levels yet. Consider it capitalistic benevolence. Though he has managed to use some investors’ ignorance to subsidize his activities.

        Reply
    • mrpriceisright February 10, 2018, 1:37 am

      I was researching this recently, seems like such a good idea. From what I understand – still in test and a year or two out. They are trying to make out it will cost not much more than a regular (well a tile) roof. They have two types of identical looking tiles, one that produces electricity and one that doesnt (thinking being that entire roof (particularly the N facing) will not be photo-voltaic). Cost per square depends on the mixture of the 2 tiles but it looked to me to be in the $50 –
      $60) dollars a sq ft range with a 50 percent mix, making it way more expensive than any other roofing material or solar panel. It also does not appear to lend itself to roofs that have hips, dormers, multi planes, etc. Who knows, when it finally comes to market cost may come down, but today its in the rich folks only bracket I believe. I don’t see it being a commodity dyi item for installation like this article any time soon.

      Reply
  • Ben Nelson February 7, 2018, 7:17 pm

    Hi Friends,
    I was very excited to install my own solar this past summer!
    My actual cost was about $10,500 and is brought down to about $6,500 after incentives. Faceplate power is 6.24kW, so that’s about $1.04, installed.
    I did a pretty complete write-up on it with the hopes of as many people as possible learning from it. That includes planning, installation, budget, troubleshooting, and more!
    You can see that at: https://www.instructables.com/id/DIY-Solar-Garage/
    Since installation, I’ve produced more than 4.5 MEGA-watt-hours of energy, and am on track for being annual “Net-Zero”!
    Seriously, if I can do it, anyone can!

    Reply
    • TJ Schultz February 9, 2018, 8:26 am

      Ben,
      I was wondering what’s the name of the small company you mention that you bought your solar panels from? I live just about an hour north of you and I would also prefer to buy locally produced panels when I decide to install this type of setup on my garage.

      Reply
  • Renard February 7, 2018, 7:37 pm

    You bum….I was just getting my data together to send to you! Very nice write-up! My wife and I did a DIY ground mount array of 6.875kW for $12k pre-tax credit. We put it on the ground because our roof is 10yrs old. Using the PVWatts website our production (thus far) is beating expectations. It was relatively easy to install, with the ground supports and their concrete being the worst part. My wife is an architect so for ‘obvious’ reasons it had to be located 200′ from the house adding some more challenges. Like when I cut the water lines with the trencher. Ooops….The local power company was helpful but dubious of ability. In the end, we saved at least $20,000 off of the local installers price and gained a ton of knowledge. Using discounted cash flow analysis our return is going to beat 11% in 10 years if electricity prices stay the same. If they go up, we make more money! In the two months since we got it up an running our electricity price has gone up.

    On a side note I was reading one of your articles last month where you casually mentioned that you use like 250kW/month! How the hell can he do that I thought. We average 1800kW in sunny Florida in our 2 story 3200 sqft 1969 home. So digging even farther through your blog I discovered some hacks….no dryer, no lights (unless needed), etc….and actually measure where it is going. So I did, we did an experiment…killed the dryers (one upstairs and one down ….architect wife remember) and hunted for loss. Well we found a ton! Water heater set too hot, 2 amps. Old dishwasher 12 amps, and the list goes on. Making a few easy changes we dropped the used (not counting the solar) to less than 900kW. Still too high, but on the right track. We keep the air at 80 in summer and 63 in winter so not that :)

    Since wife is into historic preservation buy older homes to fix up and remodel for extra cash every few years so we have always been limited by the home as it was originally designed. Well we are finally considering doing one for ourselves and with the kids finishing high school it can be much smaller. Reading your blog has given inspiration for many aspects of our lives, working less, living more and enjoying simple things. Thank you!

    Of note, we went with the SMA inverter because it has an Aux power supply that you can lose when the grid is down. Nice for the fridge.

    Reply
    • Holly February 7, 2018, 11:10 pm

      Good for you! We’re pretty hardcore about saving electricity, so I can share a few tips. We use between 250 to 300kWh per month. The a/c and furnace suck up the most power. We replaced the furnace with a high efficiency one. Replacing all of the insulation in the home made the biggest difference for cutting our heating costs, both natural gas and electricity to run the furnace.

      The a/c uses a LOT of power. We inherited an old one, and it’s expensive to replace. We haven’t replaced it yet because we only turn it on about 5 days a year when it gets over 98-degrees. To keep the house cool, I close the east-facing curtains/blinds in the morning, open them later in the day, and then close the west-facing curtains/blinds in the late afternoon. Because we’re in California, the temperature gets much cooler at night. So I open the windows at night to cool the house down, and then close them in the morning to keep the heat out. This works like a charm for the 80 to 90-degree days.

      Having a gas cooktop probably saves us electricity. However, we also use a large toaster oven to do most of the oven-style cooking. This uses much less electricity than the oven. We also bought a counter-depth (smaller volume = less energy) fridge that is Energy Star rated. And we also purchased an energy-efficient condo-sized washer and dryer set, and we only run them when we have full loads. My husband often hangs the clothes to dry.

      Changing light bulbs really does make a difference too. All the areas of the home where the lights are used the most have LED bulbs. We don’t watch much TV either.

      Reply
      • John N February 8, 2018, 12:25 pm

        Cool. I use 48 kWh per month. Computer, stereo, lighting (LED or CFL), fridge, electric blanket for bed, kitchen heating, cooking. Wales, UK. £100 ($140) per year.

        Reply
  • TheHappyPhilosopher February 7, 2018, 7:39 pm

    Very cool. Curious, what would the cost be to install a similar system if you outsourced everything to a local solar installation company?

    Reply
    • Mrs PoP February 8, 2018, 3:01 am

      Not sure about to CO market, but for a comparison, here our system is about twice this size (28 panels at 270 watts per panel but it covers 1,000kwh on average for us every month in FL) and used microintervers, so a little different there – but msrp on our system, fully installed, was about $30K in 2015. Granted, we didn’t pay anywhere near that after incentives, but that was the sticker price.

      Reply
  • Bruce A Johnson February 7, 2018, 8:02 pm

    “Welcome… to the fight. This time I know our side will win.” – Victor Laszlo, Casablanca

    I’m in my 10th year of solar “farming,” as I like to call it. I’m up to 4.15kW of PVs on my roof; for the last five years I’ve been generating enough juice annually to offset driving my Nissan Leaf – twice.

    You are absolutely correct that there is satisfaction beyond the monetary in solar energy. I try to be as active an evangelist as I can, but honestly the amount of people who just don’t care is staggering and discouraging. But screw ’em! This time I know our side will win!

    Good on ya, Mr. MM.

    Reply
    • alistair February 9, 2018, 4:43 am

      my parents have about 3kw of panels on their roof.. it’s given them a whole new hobby of checking how much its saving them and how much they are generating.

      they are in scotland, and they do generate a surprising amount given the weather. and the long summer days offset some of those clouds.

      Reply
    • Ben Nelson February 9, 2018, 8:30 am

      One of the other commenters here, Bruce, was one of the many people who inspired me to do solar.
      The more solar (including good DIY systems!) there is out there, the more advertising it becomes for other people to invest in solar!
      Spread the good word!

      Reply
  • Todd S. February 7, 2018, 8:09 pm

    Congrats Pete and good work. I work for the solar contractor that did the array + LEDs at Boulder Nissan for Nigel; we connected in the comments on your first Volt post (Oct ’16).

    I’m surprised at that sized (6kW AC) inverter for a 3.2kW DC array. Typically inverters are undersized about 10+% AC to DC, or about a 3kW inverter in this case. Per the monitoring screenshot, it seems to be working nicely though. If there’s a surplus of kWh being made, then you don’t need any more efficiency gains anyway.

    Are you still working with the Longmont elementary school to look into solar for them? Lemme answer all your damn questions ! tstratford at solarips dot com if you ever want to chat. Shaw Solar looks like a great outfit, but Durango is far for periodic service visits.

    Glad you pulled the trigger on this project, and thanks for making the earth a little cleaner.

    Reply
    • Mr. Money Mustache February 8, 2018, 8:45 am

      Thanks Todd!

      I upsized the inverter because the extra cost was minimal and I really hope to add a LOT more panels to the system.

      No luck on the school project – I couldn’t even get them to accept a $6,000 grant from me to upgrade their 1000 fluorescent light tubes to classy LED replacements (and save over $3k in electricity per year!)

      My new strategy is avoiding bureaucracy when trying to do good around the city – either do the good without asking, or partner with people who are free from the burdens of lawyers, banks and overseers for now.

      Reply
      • Todd S. February 8, 2018, 2:21 pm

        Smart plan with the inverter/adding future capacity. Thanks for the reply too, means a lot.

        Open offer to hit me up with solar questions in the future. Last time I said that, some rando’s emailed haha. All in the tribe I suppose

        Reply
      • Jamie Costello February 9, 2018, 7:16 pm

        Im curious if you have a link for those classy LED replacements you speak of. My kids Charter school is open to looking for new ways to save money and that might some ‘low hanging fruit’ we can save some real money/energy with.

        Thanks for this article, it has inspired me to give solar panels on our personal home a harder look.

        Reply
        • Mr. Money Mustache February 10, 2018, 3:34 pm

          Hey Jamie – sure: after shopping around the local Home Depot ended up having the best LED fluorescent bulbs, surprisingly enough.

          They were Philips brand in the T8 shape and the school required a 4000K color temperature. And I see they have dropped even further to $5 per bulb!

          https://www.homedepot.com/s/t8+led?NCNI-5

          Reply
          • Michael R February 10, 2018, 7:19 pm

            Be sure to put daylight balanced, 6000 or 6500K, for the room where they teach art.

            Reply
            • TomTrottier February 17, 2018, 1:46 am

              For art you want coloujr accuracy. CRI – colour rendering index – is most important. It shows how balanced the spectrum is. 95+ is best.

      • Tony February 10, 2018, 12:46 pm

        That was going to be my question, whether or not you could add to the setup later. So as long as the inverter can handle the input, you can add more panels? Considering solar on our garage but maybe starting with one side of the gable…

        Reply
        • Mr. Money Mustache February 10, 2018, 3:25 pm

          Yup, you just plug in the additional panels and your production goes up.

          Reply
        • Bakari Kafele February 12, 2018, 11:13 am

          You can also use mircoinverters, in which case you don’t need to have oversized in order to expand, you just add an additional inverter with each panel as you go

          Reply
      • classical_liberal March 1, 2018, 9:54 am

        Reply
  • peter in Toronto February 7, 2018, 8:18 pm

    “having the very good luck of having a friend…..” Don’t Keep Doing This!!
    Effectively you are saying (and you’ve so often pulled this – friends just pop over and help you build stuff, friends just give you stuff, friends just….) “I am.now famous and so people gravitate towards me and just GIVE me these great deals. You should just get famous too!

    Now OK, here at least, in the next para you bump us up to Real People Costs ($6000) But how about you just always work like a real person and always pay (or at least report as if you paid) full retail.

    There. Rant over. Now, let me read on.

    Reply
    • Mr. Money Mustache February 8, 2018, 8:40 am

      Peter,

      If you concentrate your efforts on being a friendly person, rather than someone who spends your time complaining on a stranger’s blog, YOU TOO MIGHT EARN MORE FRIENDS!

      Friends DO always pop over to help each other with projects. You don’t have to be Mr. Money Mustache to experience this phenomenon. It’s just part of the definition of friendship. And one of the big messages I try to share here is to work on this aspect of your life.

      Give up TV and video games, and don’t lock yourself up inside a car bubble for transportation, and spend your time out meeting people instead. Start a small business. Reach out to people who run companies in your area, and find ways to help them. Use Craigslist for most transactions, and meet the people in your community. Work to eliminate some of your fear and worry, and do your best to NEVER issue a public complaint about ANYTHING, EVER. These are things that help make you more pleasant to be around.

      Now, I’m definitely not Mr. Charming myself – I still have lots of work to do in this department. But at least I know the general direction I want to take my life, and how to move in that direction.

      Reply
      • Colin February 8, 2018, 3:31 pm

        You’re not kidding, Pete. In the last year my two best project-doing friends – who lived within walking distance – moved away. I still haven’t filled the gap adequately.

        Reply
    • Marcia February 8, 2018, 1:43 pm

      I have friends that pop over and help! We’ve traded help with babysitting, moving, cooking, building things (and trading tools). We’ve traded food too. I’ve got friends who are contractors, real estate experts, architects.

      I have helped other friends with sewing too. My neighbors have traded their skills with building and planting and growing. My other neighbor is a chiropractor with lots of friends who do landscaping, building, and are fishermen. Lots of trading going on!

      In my very small home town, my brother in law is that “friend” in construction who knows how to build a deck, side a house, and finish off a roof. Oh and he’s also that “friend” who can cook up 100 chickens on a bunch of spits if you are feeling like having a big BBQ.

      And none of us are famous.

      Reply
    • Bakari Kafele February 12, 2018, 11:21 am

      My real world costs, with no “connections”:
      5 Enphase M215-60-2LL-S22: $119 each,
      5 Phono 260W panels: $150 each
      1 trunk cable: $28 per drop
      Snap N Rack racking system: $322

      Total of $1969 after tax.

      I bought from ML Solar, which had the best prices I could find, and luckily just happened to be 60 miles from my home, so I went and picked them up for less than the shipping would have cost. Managed to get all the panels in the back of my Jetta wagon, and the racking on the roof.

      $35 for a disconnect switch on EBay, and under $100 worth of conduit, wire, junction box, and double circuit breaker from the hardware store.

      $500 for the city permit, $145 utility fee, $300 to have professional plans drawn up because the city refused to look at my own home-made drawings and plans.

      -$816 in federal tax credit

      Net: $1.50 per watt

      Reply
  • steve poling February 7, 2018, 10:06 pm

    I’ve often wondered whether it would make sense to “shade” all parking lots with solar panels. Drive to the mall (I know you don’t, but others do) and there’s acres and acres of cars baking in the sun. Mount the solar panels just high enough to comfortably walk, drive, and park beneath then rake in the free solar. In fact, if it’s it’s a commercial parking lot, you can charge customers a premium for the shade and the warm fuzzy feeling that they’re part of saving the planet. Same goes for parks in need of a little shade.

    Reply
    • Mr. Money Mustache February 8, 2018, 8:32 am

      Yes! This would make loads of sense, because parking lots are usually completely unshaded. Some cities already have large installations like this in place (especially places like Phoenix where cars and summer sun are a super-unpleasant combination)

      The key to making it all work cost effectively is a really cost-effective system to bolt together over the existing parking spaces. If you can minimize the engineering, steel, concrete and building permit aspects, then things start looking much better. (The same argument applies to choosing small, lightweight bike infrastructure over the massive stuff we need to build to support cars!)

      Reply
      • Another Reader February 8, 2018, 1:25 pm

        Almost all the County buildings here in Santa Clara County are doing that now. Even the Elmwood Jail has solar covered parking for the employees.

        Reply
      • Kris February 9, 2018, 5:10 am

        Michigan State University did this in the past year for some of their huge lots on the edges of campus. I’m hoping to see an update of results soon.

        Reply
      • Chuck J. February 10, 2018, 12:49 pm

        Reply
      • Sarah February 24, 2018, 11:10 am

        Cool. Next up: solar panels as the roofs (embedded in hoods, trunks, windows?) of the cars themselves.

        Reply
    • Maverick February 9, 2018, 1:07 am

      If you ever have the chance and are in north-central California, visit the Sierra Nevada brewery in Chico. The parking lot has about 11,000 panels mounted on racks about ten feet up. The racks also support hop bines growing up them, for an extra bonus. Their site indicates 20% coverage of their electricity needs. I bet it was generating nice returns on the blazing 107-degree day I was there one summer. The new Sierra Nevada brewery in Asheville, NC also has them on pole arrays in the parking lot.

      Reply
    • Anne Marie February 13, 2018, 1:16 pm

      They did this at my workplace! I was very impressed with it, and everyone fights for the shaded spots in the summer (Central FL, shade is KING!)

      Reply
  • Anonymous February 7, 2018, 11:18 pm

    Great read! I intend to do something very similar on my roof in sunny Los Angeles.

    Also, I noticed a typo and your subsequent request for help rooting them out.

    Under #5: “From there, your goal is to provide a protected path to get the high voltage DC wires to from the panels, down to the inverter.”
    There is an extra “to” after “DC wires”.

    Reply
    • Mr. Money Mustache February 8, 2018, 8:28 am

      Thanks, fixed that now too. Los Angeles is a great solar installation location, because of both the sun and the ultra-high electricity prices. Plus, electric cars work very well in that high-traffic/mild climate environment, so you will end up needing extra energy to replace your gasoline when you make the switch.

      Reply
  • vorlic February 7, 2018, 11:24 pm

    Great write up. I’ll wait for your honest appraisal and numbers after two years.

    Reply
    • 205guy February 13, 2018, 4:45 pm

      MMM roasted the guy who criticized the friends-helped-me-do-this comment, but I think this deserves it more. Vorlic seems to be making passive-complainy-pants excuses for putting off some project (in this case solar panel evaluation/installation). The information you seek is out there right now, you can go get it yourself and do the math now, no need to wait 2 years.

      Reply
  • KT February 7, 2018, 11:57 pm

    Great post, thank you. I have been on the fence on this one for the same reasons. I will get it done this year, though the ridiculous tariffs really chap my hide. I haven’t found a good green clothes drying strategy for Western Washington, so this will help cover electric dryer costs. Your post did not discuss the ‘harm’ identified by some utilities in having ‘too much’ daytime production. My assumption is that the grid tying incentives will phase out as more homes adopt solar and that a shift to a battery system may be required. At any rate, this is good stuff!

    Reply
    • Mr. Money Mustache February 8, 2018, 9:20 am

      Yes, a good point – California already has a surplus of daytime solar, as do parts of Australia. But my local grid is still in the opposite situation: power use peaks during the day, so they have to purchase more dirty power to feed those peaks.

      As you get to a higher percentage of solar energy in any given area, you need to start adding storage to absorb the peak production and feed it out during the evening. I have been enjoying watching that technology develop recently, especially through Tesla’s work.

      It is quite a nice synergy that storage and transportation both drive the demand for high capacity batteries, which means the cost per kWh of storage can drop at a much faster rate, driving both electric transport and storage into even wider adoption.

      Reply
      • Phil December 28, 2019, 11:03 pm

        I suspect the excess production issues will disappear over time. If the market price goes negative, high power users in the market can shift usage to that time to get the “good price”. In California, i would have thought A.C. usage in the summers would get us there.

        Reply
    • Bakari Kafele February 12, 2018, 11:24 am

      In CA they have addressed some of the problems that rooftop solar creates for the grid by adopting a new standard in inverter technology, UL1741-SA. Old systems have 10 years to upgrade, all new ones must meet the new standard.

      Reply
    • 205guy February 13, 2018, 7:26 pm

      Have you looked into heat-pump dryers? Maybe still too pricey. We had a gas dryer but switched to electric when we put in panels. Get one with several heat levels, so you can run it on low (or extra-low) and it draws a lot less, to match your panel output even on a cloudy day. Ideally, they will start to make smart appliances that look at your solar generation and modify their power consumption accordingly. But yes, there are nights when we just turn it on to get something dry and eat the cost.

      We are also seeing our local utility stigmatize distributed generation (their industry term for homeowner roof-top panels). A utility is a way for investors to park their money (build a power plant) and get guaranteed returns (protected by rate increases, where the PUCs are mostly regulatory capture). So they don’t like it when homeowners can produce their own power and zero out their electric bill. Most of them are building their own solar farms now, because it is cheaper than fossil fuels for daytime production, and because they still want to sell you power, not have you make it yourself. But if you think about it, it’s better to have 100,000 panels on 5000 roofs spread across the city than in a single location that can be shaded all at once by a single cloud–the power generation will be smoother.

      Fact is that in sunny places, solar has already eliminated their daytime peak (mostly from air-conditioning), and now they are complaining about the new peak that happens in the evening, when the sun has gone down and people get home from work and turn on lights and appliances. It’s important to remember that this peak is lower than the one that solar already eliminated–so they know how to handle it. And now storage technologies will help with the evening peak by diverting the excess daytime production. Pumped hydro and industrial-scale batteries are the most mature, just imagine all those old car batteries racked up next to a solar farm.

      Eventually, we should realize that net-metering is an incentive (needed at first to jump-start the rooftop solar industry), and that retail-wholesale rates are fairer to the utility and community all around. Net metering is when you over-produce in the summer, and get those kWhs back in the winter for free–you haven’t paid the utility for the transport and “storage” of the energy. Retail-wholesale is when the utility pays you the same rate they pay other power plants for each kWh (usually 1/2 to 1/3 the rate on your bill), and whenever you consume from the grid (evenings, cloudy days, winter), you pay the normal cost. That way, you pay the utility the infrastructure cost for moving that energy around. We have that here now, and I think it’s the way forward. But now, what they want to do is curtail the homeowner solar: using smart meters (and smart inverters), they would automatically shut down your production (turn off your inverter) when they have too much electricity (from their own solar farms). You would have to agree to this in order to be grid-tied, and remember, when they shut down your inverter, you can’t even use your solar power yourself. I think this is purely for profit motives and has nothing to do with the purported technical reasons.

      The solution, of course, is to promote time-of-use: when there is surplus production during the day, lower the price. That will encourage day-time electric car charging, especially at workplaces. It’s crazy that the electric industry is complaining about both having too much solar during the daytime, and not being able to handle the load for charging all the future electric cars (to be fair, I think it is the auto industry that is trying to find ways to tarnish electric vehicles).

      Reply
  • Chris Stratton February 8, 2018, 12:52 am

    The clarity of your writing continues to surprise and amaze me, even after all these posts.

    Reply
    • Mr. Money Mustache February 8, 2018, 9:23 am

      Wow, thanks Chris. That’s a remarkably clear comment as well! :-)

      Assuming it is a genuine compliment and you are interested in writing as I am, I have been kind of surprised myself too, at how you can get better at something as vague and fluffy as “writing”, even as a not-overly young adult, just by doing it a lot.

      When I go back and read some of the early posts on this blog, they are pretty clunky and asking to be rewritten. Sometimes I dislike them so much that I actually do dig back in and fix some stuff.

      But the overall theme is that retirement is a great time for continued growth. Maybe this means there’s still hope for me to become a really badass drummer and bass player too :-)

      Reply
      • Sarah February 27, 2018, 9:37 pm

        Practice has a way of making one good at a thing.

        I heard this quote while listening to the radio today: “For thirty-seven years I’ve practiced fourteen hours a day, and now they call me a genius!” -Pablo De Sarasate (accomplished violinist in the late 1800s/early 1900s). And the gentleman had quite the mustache – check it out!: https://www.ecosia.org/images?q=Pablo+De+Sarasate

        You have written hundreds of meaningful, powerful articles and even a speech or two, and can have every confidence in your ability to string together words and ideas comprehensibly at this point. You have built a movement through your words, and I congratulate you. No doubt about it, and no “hope” needed: keep playing bass and drums and you will improve and may someday consider yourself badass at those as well.

        Reply
  • Chris February 8, 2018, 1:59 am

    Great article. I had solar panels fitted around 2 years ago here in the UK, costs are a lot higher and our panels are South-East facing. Even so our electricity bills are around a third lower than they were & this year has seen an improvement on that because we charge phones etc and run the washing machine / dishwasher during the daytime whenever possible. Payback is looking to be around 7 years. The only negative is that we had to pay for mesh around the panels because for the first two Summers we had a problem with jackdaws trying to nest under them causing an almightly racket, large (6+ feet) piles of twigs and attacking the wires.

    Reply
  • Accidental FIRE February 8, 2018, 2:38 am

    This is awesome Pete. My city is now running a pilot program with Solar City to figure out how they’re going to work tax breaks and buy-back from solar. I’m not sure if I’m handy enough to do a DIY set up like you did, but even if I have to just buy from Solar City I hope to get them soon.

    Reply
  • Joanne February 8, 2018, 4:15 am

    Would this work well in Canadian winters on our snowy rooftops? Love the post.

    Reply
    • Mr. Money Mustache February 8, 2018, 8:26 am

      I find that the panels DO produce a bit of power (maybe 20% of peak output) when covered with 2″ of snow on a sunny day. Also, the slippery black glass can shed the snow pretty quickly even when temparatures are a bit below freezing. But you would probably find that deeper snowfalls shut off production for a while.

      I made a long wooden squeegee-shaped thing to rake the snow off of this system, just for fun. But if your roof is too high to reach in this way, you’d just have to assume a lower annual production. Not a huge deal, since in Northern latitudes most of the daylight is in the summer months anyway.

      Reply
      • Bret February 8, 2018, 1:25 pm

        I installed a DIY system last year and my biggest problem in Iowa was, it would snow, then get really cold. The snow would then basically freeze in place until it was well above freezing for a few days or even a week. I went out a couple times after it was above freezing with the hose and would spray them to help melt the snow. It also didn’t help that the bottom of my panels isn’t the bottom of the roof, so the snow will start sliding off the panels, then get caught by the snow stuck on the roof instead of falling to the ground. I’m not too worried about it this year though, because I’ve banked an almost 2Mw credit, from my little 3.8 kw system.

        Reply
      • JustGeorge April 18, 2018, 3:43 am

        Congrats on the rake Mr. MM! The reflection of the SURROUNDING snow boosts power production for your solar panels IF you are able to get the snow of the panels themselves. Also, the lower the temperature (inside the working limits given by the PV manufacturer) keeps the efficiency of the panels high.

        Reply
  • AW February 8, 2018, 4:18 am

    “So my total cost, due to the very good luck of having a friend who is both a dedicated Mustachian and the owner of a booming solar company, was $3900.”

    If you look at it another way….At that price, the solar panels were free. Because of the performance warranties and long life of the panels, the solar equipment may take 20-30 years to depreciate. Basically you have converted cash into home equity. You will most likely recoup that $3900 when you sell your property in the future especially as the price of energy goes up….so does the value of your solar system. The solar panels are more like a monthly dividend. Some months are better than others.

    Living in NC…..My 7kw (28x 250w panels with micro inverters) system was installed in 2015 and cost $8960 after the tax rebates.

    Production: 2016 total- 7,836 kWh, 2017 total – 7,677 kWh
    Lifetime: 19.4 MWh

    Reply
    • AW February 10, 2018, 6:15 am

      Our panels produce the most electricity between 9 AM and 5 PM (Spring/Summer) when we are not home. Durham/Raleigh area of NC has net metering…..So any surplus is delivered to the grid. In the evening when the solar system is producing the least or not at all, we are using electricity from the grid. At the end of the month, if we use more from the grid than the solar system, we are charged for that usage. If we deliver more to the grid, we carry surplus balance of kWh that carries over to the next month.

      We usually see surpluses of kWh starting in March through July. The only catch is that each year in June, Duke Energy resets the surplus kWh to zero….Last year, the utility kept 318 kWh of our clean solar energy. There is also a service fee including taxes of $13.60 each month on our bill…..so the monthly bill is never zero.

      A lot of people don’t know this….Because we are tied into the grid and for safety, when the grid goes down so does our solar system. The micro-inverters are designed this way. The only way to have continuous power is to install a transfer switch connected to batteries and/or a generator. As long as the micro-inverters see continuous power, the solar system will continue to operate. Our power is fairly reliable so we have not seen the cost benefit of such an upgrade.

      Reply
  • Stephen February 8, 2018, 5:41 am

    I always get quite jealous reading about things like this.

    Over here the electricity grid gives you back exactly zero now if you feed in. Only some legacy customers who have older contracts get paid, and even that is at a rate below wholesale. It is even funnier in that if you generate too much, they’ll charge you costs with feeding it in.

    Also as a customer, you pay a standing charge just for being connected. If you start using too little electricity, say by generating your own, they add another surcharge to the standing charge to offset the profit they aren’t making.

    To top it all off, the retail arm of the grid started offering panels last year. Excluding the extra standing charges, the cost of the require monitoring apps, the install of a smart meter, and assuming you us all the generated electricity and don’t spill anything back into the grid, the payback period is over 20 years.

    Reply
    • Mr. Money Mustache February 8, 2018, 8:22 am

      I hear you, local regulations can make a big difference on the cost-effectiveness of a project like this. In fact, because this is on a commercial address, I too have a fixed monthly fee (for now) that eats up most of the profits.

      I’m working on getting the power company (which is owned by our small city) to change this policy, however, since they recently announced a goal of moving to 100% renewable power by 2030. I’m one of the few people who will make the switch even if it costs me MORE than coal-generated electricity, so I don’t actually care about the payback period. But most people require a financial incentive to make a change.

      Reply
      • Gary February 8, 2018, 5:47 pm

        Hi Pete,

        I was really interested to read this article because I work in the electricity industry (energy consultant) and I have been a big MMM fan for the last couple of years.

        However, I am curious as to why you are fighting the fixed charge? You stated yourself that you are essentially using the grid as a battery. At night, you are still using the full infrastructure of the grid (wires / poles / power plants / etc.), which costs money to maintain. So it only seems to make sense that you have to pay for that, no? Yes, you are saving the utility some fuel costs during the middle of the day when your solar is exporting, but there are still a lot of other fixed costs that need to be covered. If you don’t pay your fair share of fixed costs, other customers will essentially be subsidizing you. In CA, where I live, this indirect subsidy from net metering could grow to over 2 billion dollars in the next decade. Ironically, it will be mainly richer people who own homes and buy solar that will be profiting from this.

        I love the idea of DIY solar and being self sufficient, but I think it needs to be done in a fair way. Hopefully when batteries get cheap enough we can get people to buy solar + storage, have essentially no electricity bill, and still don’t cost other people money. Even then though you will be relying on the grid during some winter weeks (buying 10+ powerwalls to ride through a week of bad solar does not seem like a healthy financial decision), so I am not sure this would work.

        While I think on a personal level, distributed solar/storage is great, it just doesn’t seem to scale on a system level, since there is a lot of economies of scale in terms of cost (compare $1/W utility PV vs. $2-3/W rooftop PV), and a lot of benefits from geographical diversity, both in terms of load (your load is way more spikey than CO’s average load), and renewables (while your solar array might be doing bad during a cloudy winter day, the wind could be howling at a wind farm in Iowa or it could be sunny in New Mexico). If we really want to go 100% carbon free, we will need all the geographical diversity and economies of scale that we can. A bunch of people with rooftop solar + a battery won’t cut it sadly.

        I’m curious to hear your thoughts on how this DIY rooftop solar fits into the larger sustainability/decarbonization challenge.

        Reply
        • 205guy February 13, 2018, 8:01 pm

          In a different reply above, I mentioned that retail-wholesale rates are much more equitable. You get paid the wholesale rate for the kWh you put into the grid, similar to what the industrial solar farm gets paid. The utility immediately resells that kWh at the normal rate, which has the transmission, maintenance, and admin costs built in. When you need a kWh in the evening or on a cloudy day, you pay the normal (retail) rate as well, thus you pay for the electricity and transmission, maintenance, and admin costs as well. Typically, the wholesale rate is 1/2 to 1/3 of the retail rate, so you have to produce 2 to 3 times as much as you consume from the grid to zero your bill (including any fixed monthly fees).

          Of course, this doesn’t take into account the fact that whoever built a power plant is now selling less kWh when the sun is shining, but that is the risk of that investment. The risk of installing rooftop solar is that the industry prevails over homeowner interests (some would say rights) and curtails your PV output instead of the power plant output.

          Of course, the optimal situation is when you consume your own electricity during the day, for example charging an electric car, plus enough to zero your bill. Then, the cost to you of the electricity is whatever your PV installation costs were over the lifetime of the system, for example $10K for 5kW of panels generating 20 kWh per day on average makes 146 GWh (over 20 expected years) = 6.85 cents/kWh (and 0 cents for every kWh after 20 years). For this reason, electric cars and PV solar go very well together, each amplifying the savings from the other.

          Reply
    • Call 911 February 9, 2018, 11:20 am

      It sounds like you may live where I do. I put panels (4KW) on my roof in Summer 2014. Between when I started getting quotes, to today, the power company (state owned) has changed the solar rules 4 times.

      Each time it’s accompanied by some type of announcement about how great solar is, and how they are building or have a solar farm, and they love solar. The next paragraph though, talks about how if you have solar panels, they are charging you more, or somehow increasing the costs. When I started getting quotes, payback was calculated at 6.3 years. Now, 4 years later, I’m looking at about 10.5 years . . . from today. Functionally, they have more than doubled my costs.

      I complain, as do the other solar owners. Unfortunately, the power company has deaf ears.

      Reply
      • Johnson February 9, 2018, 12:53 pm

        I think there’s some animosity between people who mistakenly think that power companies are against solar panels on homes. What’s often overlooked though is that power companies don’t just charge you for power. They are also charging you for all of the infrastructure required to deliver that power to you. So, if your normal power bill is $100 and through use of solar panels and net metering, you drive that cost down to zero, the power company isn’t recovering any of the costs associated with your home being tied to the grid.

        I’m not taking sides, and I think solar panels are great. It’s just frustrating sometimes that people don’t understand the complexity of all that happens to deliver electrons on demand, 24/7 at everyone’s home.

        Reply
        • Keith October 7, 2021, 7:48 am

          Great point. We don’t think much about the complexity and all that’s involved with anything. Grocery stores have food from all over the globe, ready and waiting 24/7 for when you walk in

          Reply
  • Brian Bailey February 8, 2018, 7:01 am

    Nice write up, thank you! As a (burgeoning) solar installer in an area pretty different from Colorado Front Range, perhaps I can add a little more color.

    As some have mentioned, not all power companies are friendly to distributed generation (like rooftop solar). Ours is pretty hostile. Although Indiana is technically a net-metering state, the utility has introduced fees to net metering customers designed to make it uneconomic.

    For places where net metering is not available, a small battery backup may be worthwhile. The batteries can be used to harvest energy during the day and then use it at night, so you don’t have to sell power back to the grid. The size of the battery bank will be driven by economics and homeowner preference (s0me will like the idea of a solar-powered “whole-house generator,” in the form of batteries and the inverter, more than others). Conscientious owners can also design strategies to use solar as it is produced, such as by using delay timers for dryers, washers and cookers to take advantage of power production at midday.

    Another, low-cost option in areas hostile to net-metering is to start with a small solar system designed to power the base load of the house, i.e., the electrical devices that run constantly or regularly. In most houses this will be the fridge/freezer, radon mitigation fans, internet routers, etc. This type of system can have a relatively quick payback period since all or most of the power produced gets consumed on the spot.

    The more people that take the plunge into solar, the better – especially in areas with hostile utilities or politics! Nothing will cause these hostile actors to sit up and take notice more than grassroots expansion of the technology among their neighbors.

    Reply
    • Angela February 9, 2018, 10:36 am

      Brian, thanks for your advice regarding hostile solar states. I’m also in Indiana and have run the math on some solar ideas but couldn’t make them viable. I’ll try again with your suggestions!

      Even if installing solar doesn’t make sense, there’s still things you can do, like making your home more energy efficient to permanently reduce energy needs and writing letters to state government officials to mandate a renewable energy portfolio in the state.

      Reply
      • Brian Bailey February 12, 2018, 4:26 am

        Great points Angela. The efficiency side of the equation is often overlooked. The best ROI comes from efficiency efforts: they are the low-hanging fruit. LED bulbs are as easy at it gets. High-efficiency appliances should be the only consideration when making a new purchase. Tightening up the house by sealing cracks (especially in exterior drywall and around the rim joist of the house, two common offenders) can be surprisingly effective as well.

        And, of course, human efficiency is the most powerful of all: expanding your temperature comfort zone by a couple degrees on either side makes a huge difference in your energy consumption!

        Once you’ve done all that and slashed your energy use to at least half the national average (i.e., maybe 5,500 kWh/year or less, then it’s time for solar.

        Reply
    • davin February 10, 2018, 6:15 am

      Thanks for the sharing your thoughts Brian! I live in IL and wondering if the numbers would make more sense if I installed a system with a small battery backup like you suggest. Would you mind sharing a typical system that you would install for a 1000 sq ft ranch house.. maybe with the with/without option to charge a Chevy Volt at night? Also, what is the typical payback that you have seen with this style of setup?

      Reply
      • Brian Bailey February 12, 2018, 4:43 am

        Hi davin,

        The numbers are pretty site- and jurisdiction-specific. For site, your roof angle, house orientation relative to direct south, and shading considerations all play a role. I think your net metering situation in Illinois is more favorable than here in Indiana, though your local utility may or may not be putting up roadblocks. So it’s tough to look at things like payback in the abstract.

        Generally, for a good site with good net metering abilities, payback can be as short as 5-7 years, or 14-20% per year. Modern panels guarantee at least linear performance losses at 0.7%/year for 25 years, leaving you at 80%+ production levels at the end of the warrantee period. So, a pretty easy call from an investment perspective.

        A battery will extend the payback. Batteries don’t last as long as panels and can carry a significant cost. In exchange for the cost, you get backup power for your house. My personal system, which is a bit of a cadillac and has a large lithium-ion battery backup (the most expensive upfront, but also the most resilient and longest-lasting), carries a payback period of about 20 years. I also have significant shading issues. So my house is pretty close to a worst-case scenario, and I end up with a whole-house generator that never runs out of fuel and will at least pay for itself over its lifetime.

        A Volt, which is a lovely vehicle, won’t help you much if you are charging it at night. You would need either net metering or a larger battery to feed the vehicle with stored solar power while the sun is down. If you were charging it during the day, then it would be a great energy storage unit :-)

        Reply
        • Susan May 14, 2018, 5:58 pm

          I heard a speaker explain that he has off grid solar as a backup system. He and his wife got tired of feeding excess electricity to Virginia Power for pennies on the dollar, so they bought a used Nissan Leaf for $8000 or $9000 to soak up the extra electricity. He said that many people buy electric cars and then change their mind, so the prices on used electric cars are quite cheap. I checked out the prices and he’s right! The more I research, the more I’m convinced we can afford solar power if we pick and choose and don’t try to do everything at once.

          Reply
  • Rachel February 8, 2018, 7:07 am

    Interesting! I did the Google Project Sunroof thing…I have too many trees :( I would only have 106 sqft. usable, so it would increase my costs. Some of those trees may eventually go though, and I need a new roof in about 3 years, so I’ll revisit it then. Maybe with increased efficiency even that small of an area will eventually be worth it.

    Reply
  • Mike Shoup February 8, 2018, 7:12 am

    This is awesome! I’m always quite amazed at what you can actually DIY. I admit to being very hesitant and anxious for some of this stuff. This really helps me conceptualize the process to installing solar, and maybe some day I’ll get up the gumption and do it myself.

    Thanks!

    Reply
  • HamMan February 8, 2018, 7:15 am

    Excellent article as always MM, we’ve been anxiously waiting for you to post it! This is something my wife and I have been researching for a while as well, especially since we got an electric vehicle. I would really appreciate more information on your financial numbers, especially how you calculate the returns and payback period. I did some math on this recently and found payback times on a 10KW DIY install were closer to 40 years before breaking even. This contrasted harshly with the numbers (8-10 years) that a local solar company was advertising. Not sure if they’re being misleading or if I missed something.

    Also I hate to nitpick but since you asked, I noticed a couple minor details in the article. You mentioned rigid metal conduit but I think you meant EMT conduit (“electric metal tube”) which is bendable. Rigid conduit is more like gas pipe and uses threaded fittings. Also 10/3 cable and a 40A breaker? That might be a local code difference but up here in Ontario 10AWG is normally only good for 30A. Thanks!

    Reply
    • Mr. Money Mustache February 8, 2018, 8:18 am

      Thanks HamMan, I have just made those corrections. And regarding the math, I believe it’s all in the article:
      – use PVwatts to calculate expected annual production
      – multiply by your local electric rate
      – there’s your annual savings/earnings from the array.

      If your costs are really looking like 40 times that amount (versus about 5x for me), you need to wait and shop and negotiate until you can get much cheaper equipment. Meanwhile, you can of course work on energy efficiency where the cheaper returns usually await.

      Reply
  • Marc February 8, 2018, 7:31 am

    I’ve thought a lot about solar panels, but I live in a mature wooded community (50-60 ft trees everywhere) in a cloudy part of the country and so I worry it’ll never pay for itself during the time I plan to stay here, much less make me any money.

    But with the price you showed here maybe one of these is indeed in my future, especially once after we move to a more permanent home. Can’t wait until FI!

    Reply
    • Mr. Money Mustache February 8, 2018, 8:14 am

      Yeah, so far I have found that cloudy days can still be surprisingly productive (I see my panels still putting out 600-800 watts when the sky looks completely gloomy). But the deep shade of woods would be much worse. Not every spot is a great place to put solar panels, and that’s fine – there are still plenty of sunny spots around to optimize their placement.

      Reply
    • Brian Bailey February 8, 2018, 11:34 am

      Shading is a significant issue, but it might not be as bad as you think. Our house is surrounded by huge hardwoods and very shaded, but our 5 kW system still pumps out a good amount of power (though admittedly less than it would if it were in full sun).

      How, you ask?? As it happens, our garage roof is by far the sunniest part of our property, so that’s where we put the panels. You can look for “holes” in the canopy too – a tool called the Solar Pathfinder is good for this purpose. Or you can go hardcore Mustachian: take pictures of the south-facing part of your house at different times of day, at different times of year, and then chart the pictures out to see where the sun shines reliably :)

      A good solar installer, if you have one in your area, would do a shading analysis right off the bat.

      Reply
  • Shawna February 8, 2018, 7:46 am

    We’ve just missed the Ontario (Canada) microfit program and have been looking into our own solar installation similar to this, but not net metering. Is solar to a home system as economical? As well the cost seems super low – is solar really that much cheaper in the USA?!?!

    Reply
  • Kyle February 8, 2018, 7:52 am

    Fantastic job and great write-up. I actually determined the toughest part of our 28 panel system, on our previous house, was applying for all the permits. The electrical inspector was not well versed in solar set-ups, so be wary of that as well. There was a lot of back and forth between myself and the inspector. And the county required us to hire a structural engineering to inspect our roof structure. That wasn’t cheap and was totally unnecessary, but they wouldn’t sign off on the plans until we had that PE stamp

    I would recommend micro-inverters on each panel if shading is an issue. That way only the panel with shade will suffer from power degradation as opposed to the entire array suffering when using a single inverter. They also give you ability to monitor each panel on-line for performance/issues etc. Makes troubleshooting a breeze. Also when factoring in future performance don’t forget to include panel power degradation. After roughly 20 years you should still be seeing at least 80% output from the panels themselves though, so not a huge issue.

    Reply
    • Mr. Money Mustache February 8, 2018, 8:10 am

      I hear you Kyle – the first time I tried to apply for a solar permit (for my own studio, a year earlier), the city was giving me that nonsense about the structural stamp. It was total bullshit, as the panels are only 40 pounds each spread over 15 square feet, and the roof was ridiculously strong as per the approved plans I used to build that same structure!

      But more recently, they have adopted standard national guidelines that basically say, “If you’re using a standard racking system, it’s fine, just approve the installation”.

      As a compromise, you can download the structural calculations and engineering stamped diagrams for each state, from the rack manufacturer. I included some pages of these with my second permit application, just to cover any doubts.

      Regarding micro-inverters: the “Optimizers” used in my system do the same job, but allow you to use a single inverter, which allows for a less expensive system in many cases. Put all the power conversion in one place!

      Reply
  • Mr Crazy Kicks February 8, 2018, 7:52 am

    Nice work! I’ve been looking at panels on craigslist, and almost considered picking up an inverter you can plug in to an outlet so I could create a quick DIY portable setup – maybe around 1KW. These cheap inverters do have island protection, but poor efficiency and are not UL certified. I do still like the concept of system that can just be plugged in with an extension cord to a structure in the backyard…

    That said, doing it right once with a good efficient inverter is probably a better idea. I’m gonna have to scope out the one you got. Glad to see you sized it to allow for additional panels down the line.

    I’ve been slowly learning and do have a few questions…

    I really like the idea of the offsite array, and was considering a small pergola to keep firewood under. I’m assuming the inverter needs to stay close to the panels though for the wiring, and needs to be in a weatherproof room?

    Also did you then just run the 10/3 underground to the facility? I’ve been struggling to figure out about the wiring and how to optimize for sizing. Is that 40amps on the 10/3 line going to limit the expansion to less than the 6KW inverter rating?

    Thanks for all the great info, this looks a lot like the type of setup I’ve envisioned – probably even better!

    Cheers!

    Reply
    • Renard February 9, 2018, 7:16 am

      Great questions….Offsite is not too bad, the inverter doesn’t have to be adjacent to the panels and depending on your climate can easily be outside. Heat is the biggest degrading factor on the inverter’s efficiency so a shaded location is perfect. To calculate the size of wire from the panels to the inverter I used the company (Alt E) that I bought the panels from. They also provided a basic wiring diagram for the permitting process. You can also do the math yourself and they (Alt E) have some very detailed videos to help. Basically, you need the percent loss your are willing to accept (I used 1%), max average temp (+10 degrees) of the site, the distance and the amperage of the array and the max voltage…..For example my Vmax was 450 at 9amps running 200′ in Florida (I think I used 31 degrees C ) and ended up with 8 AWG copper. Not cheap but easy enough.
      http://www.freesunpower.com/wire_calc.php…..very basic calculator to get started.

      Reply
  • Andrew Miller February 8, 2018, 7:53 am

    A word of warning to anyone investing in solar: pay the extra money up front to get ‘critter guard’ installed around the base of the panels. Critter guard is a simple metal mesh that goes around the panel perimeter between the panels and the roof. If you fail to invest in critter guard, you may suffer the same fate as I did, namely that squirrels will squeeze into the gap under the panels and build nests there. This is problematic because squirrels love to chew on things, and will particularly enjoy stripping the wires between the panels and the inverter. I just got this problem fixed late last month; all told, I lost a few months of production on my panels (albeit in the Toronto winter), plus the additional costs to replace the wire, labour, etc. The cost of critter guard is negligible next to the cost of the rest of the setup, but it’s a worthwhile investment. Learn from my mistake!

    Reply
  • Jeremy February 8, 2018, 9:00 am

    Thanks for the write up. Very interesting. Being concerned about the carbon output as well, has there been any research into the CO2 produced in the production of the material being installed? I was really convicted about this concern when I started considering the CO2 given off by things like spray foam on building projects I have done in the past.

    Reply
  • JoeHx February 8, 2018, 9:30 am

    I’ve been wanting to do solar for a year or so now. I also prefer to do everything myself, at least as much as possible. So of course than means I really like the DIY aspect of this post! I need to find a way to budget the initial setup cost, though.

    Reply
  • Sid February 8, 2018, 9:38 am

    Great article. We just signed a contract to have panels installed but I had done a little research on a DIY setup. In the end, I felt the personal risk – shutting off the breaker panel, connect new 2-way electric meter, climbing around 2-story roof with lots of heavy materials – wasn’t worth the potential savings compared to hiring a professional contractor. What prompted you to decide that you could complete this hi-voltage, rooftop project without professional help?

    Reply
  • ZJ Thorne February 8, 2018, 10:09 am

    This post makes is great for demystifying the process of installing. I love it. I wonder how long before we get to under $.75/watt. Other countries’ interests will align well with individuals here on that front.

    Reply
    • Catprog February 11, 2018, 11:53 pm

      I don’t know why prices are so high over there.

      Down here in Australia I can buy 250 watt panels for $170AUD

      Reply
  • Quentin February 8, 2018, 10:11 am

    Hi there!

    My wife and I currently live in an apartment. So we want to cut down on electricity and use that momentum to save for a house, but for obvious reasons that means we can’t install a whole solar rig to the top of our current place!

    Does anyone know about a way to create a little “solar garden” that could supplement our electricity, but without installing some of the permanent infrastructure needed on a house or garage? Anything that we could put out on a deck or hang out a window? I hope that isn’t too simplistic of a description, but I figured if anyone had good ideas, it would be you guys.

    Thanks much,
    Quentin

    Reply
    • Carlos February 9, 2018, 12:41 am

      My electric company has a “green rate” where they sell you 100% solar energy for a premium. The interesting thing is you also get a discount that removes most of the premium. For myself it’s made a very small difference in my electric bill and I get to feel good knowing I’m using solar energy without owning it. They don’t actually advertise this plan at all so you might have to slueth through their website to find it.

      Reply
  • Chad Olsen February 8, 2018, 10:12 am

    Great post! I’m new to MMM and came across this quite by accident, but I loved this post and felt compelled to give you some addtional information. I work in the energy services industry and know a lot about this at scale. I have wondered how it would work in a DIY situation and this was very helpful. Something that could be helpful for you would be a power monitoring system to show you how it is all working in a comprehensive system. I came across this company (based in Boulder, CO), http://www.egauge.net/, through work and am very interested in getting this technology into my projects. It may be a little higher priced for a residential/small commercial DIY, but very user friendly and informative. It will allow you to monitor the energy use (in/out) of every circuit in your panel so you know track how much you are producing, consuming and selling to your electric car chargers.

    Reply
    • Keith February 20, 2018, 3:44 pm

      I have this to monitor both utility usage and solar production. Graphs net metering and stores the data for 2 years and cost about the quarter of eguage.
      http://www.theenergydetective.com/

      Reply
  • Terry February 8, 2018, 10:23 am

    Does the Federal solar tax credit apply to batteries if the system is tied to the grid? I can’t seem to find any clear information regarding this.

    Reply
    • Coop M February 8, 2018, 7:58 pm

      Yes but I think it is hard and/or expensive to grid tie with battery backup. It is my understanding, the power companies requires a special service disconnect so power is not fed back into the system in the event of a downed power line and potentially kill someone. That disconnect is not an inexpensive component so I’m told.

      Reply
      • Bakari Kafele February 12, 2018, 11:31 am

        The inverter (which is between power source and the breaker panel, whether the power source is battery or solar panel) has a built in disconnect.
        There is a manual disconnect between the inverter and the breaker panel. I bought one on ebay for $35

        Reply
  • Allie February 8, 2018, 10:26 am

    I don’t own, but I hope that some of the landlords that read your blog see this article! My apartment complex recently put panels up on the main office as a “test drive” for the rest of the complex. Renting makes sense for me in the big city, but I hate that renting usually equals bad environmental choices. The costs benefit analysis is probably fuzzier when utilities are paid by the renter though. I’m thinking my complex will shift their policy if they really go for solar so that they get the surplus returns!

    Reply
    • Greg February 8, 2018, 12:14 pm

      If keeping the surplus returns sweetens the deal enough that the landlord decides to install solar, that’s great.

      Reply
    • Bakari Kafele February 12, 2018, 11:34 am

      In theory the owners could sub-meter the units, and charge tenants for their electricity use at the same rate the utility company does. Thats exactly what I do – I have solar on my home, and my home feeds the in-law unit in back. I just bought a utility-grade sub meter and put it just before the line that runs to the in-law unit. Every month we get a bill from the power company, and we also print a bill to give the tenant, which they pay with the rent.
      May not be legal in all jurisdictions, but here it explicitly is

      Reply
    • Dankmar February 14, 2018, 3:45 pm

      Allie,
      Lucky for you and me, renting in the city is much less impactful than typical American living on most metrics. Your dwelling is likely smaller which means less heating, cooling, and things to power. Buildings are larger and adjoined so a lot less energy is dissipated into the environment. All utilities and services require much less per person. Car clownmanship can be more easily avoided by utilizing transit or biking and many more destinations are available every mile.
      Most people don’t realize NYC is the most ecological location in the USA because it is most dense and old enough to have sensible infrastructure.
      You should feel no guilt because you’re out-mustaching every SFR owner by definition.

      Reply
  • Janne February 8, 2018, 10:31 am

    Holy coal! Your Colorado grid electricity is nearly 55% coal generated (2016). Every panel makes a real difference in that grid.

    Thankfully here in Finland our grid is just under 10% coal and that is mostly combined district heat and power. Unfortunately solar doesn’t really make economical sense here. When the consumption is highest and dirtiest there is no sun to be seen for months. And in summer time, when there is plenty sun, consumption is quite low and electricity price is close to zero, even negative if it is really windy in Denmark and Sweden.

    Cheers from the north!

    Reply
  • Darrel Lambert February 8, 2018, 10:47 am

    Thank you so much for writing this. I’ve been waiting for your write up with eager anticipation. Well done.

    Reply
  • Sam H. February 8, 2018, 11:25 am

    MMM, long time reader first time commenter. Excellent to see you finally got your array up and running and that you shared your DIY report for fellow folks not afraid to get their hands “dirty” in saving some cash for a great project. As a professional solar installer I must politely request you remove the photo of the L-foot lag screwed directly to the roof. National Electric Code and industry best-practices require and suggest a metal flashing that goes over the lag screwed and under your shingles to create a waterproof seal. Through-The-Roof sealant is added protection but not enough stand alone. I look forward to further DIY posts as well as a continued look at your solar power production over time as power prices continue to rise. Bike on, my good man! Cheers, Sam in SW Montana

    Reply
    • Mr. Money Mustache February 8, 2018, 2:20 pm

      Thanks Sam – I added your suggestion to the caption of that photograph, with a link to a picture explaining the flashing. I agree it is a good idea, especially if you’re putting solar panels on an expensive house, rather than a basic unfinished 1939 garage/workshop as I did here.

      Reply
      • Sam H. February 9, 2018, 11:34 am

        Happy to help others learn and grow. Thanks for making the changes, MMM.

        Reply
        • Danny Milks February 12, 2018, 11:44 pm

          Sam – funny to see you here too! I saw your picture and remembered it from the good old days on BPL, thinking how many Sam H’s look like that? Hope all is well in Montana!

          Reply
    • Brian Bailey February 9, 2018, 8:29 am

      For the aspiring DIY solar installer, may I suggest the Flashfoot (and more recently, Flashfoot 2) kits from Ironridge. I’m sure there are other, similarly well-designed products out there.

      It would be pretty hard to get a leak at a mounting point with the Flashfoot, even for an inexperienced installer.

      Reply

Leave a Reply

To keep things non-promotional, please use a real name or nickname
(not Blogger @ My Blog Name)

The most useful comments are those written with the goal of learning from or helping out other readers – after reading the whole article and all the earlier comments. Complaints and insults generally won’t make the cut here, but by all means write them on your own blog!

connect

welcome new readers

Take a look around. If you think you are hardcore enough to handle Maximum Mustache, feel free to start at the first article and read your way up to the present using the links at the bottom of each article.

For more casual sampling, have a look at this complete list of all posts since the beginning of time. Go ahead and click on any titles that intrigue you, and I hope to see you around here more often.

Love, Mr. Money Mustache

latest tweets